Installation instruction
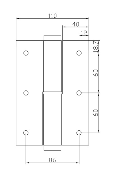
Installation instruction for ZL-11 wooden series
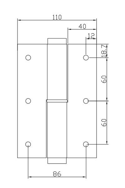
Installation instruction for ZL20 wooden door series
Installation instruction for ZL-30 glass series 2-1
Installation instruction for ZL-30 glass series 2-2
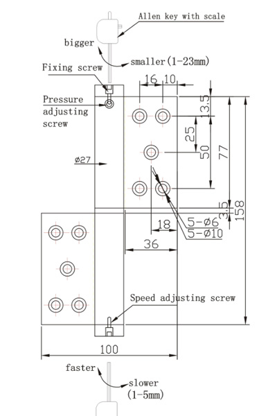
Instruction instruction for ZL-40 aluminum door frame
CONTACT FORM